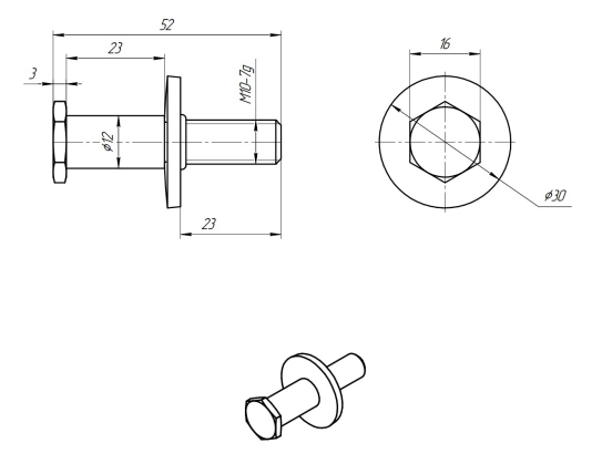
Стопорный болт является ответной частью замка серии РТ4 ▪ Материал: оцинкованная сталь ▪ Резьба М10

Обратите внимание: изображение товара на сайте может отличаться от фактического внешнего вида товара.
Обратите внимание: из-за колебания курса валют реальная цена может отличаться от указанной на сайте.
Артикул: СБ1-РТ4-31
Страна: Россия
Производитель:
Материал: Сталь
Кол-во в упаковке: 1 шт.

410

Количество:
шт.

Замки серии РТ4 имеют компактный дизайн и рассчитаны на применение в узлах со средней нагрузкой.

Отличительной особенностью этих замков является увеличенная область для захвата ответной части. Это позволяет компенсировать возможное увеличение допусков конструкции и соблюсти соосность замков и ответных частей при монтаж

Роторные замки представляют собой надежное решение для крепления различных панелей, капотов, транспортных дверей, подвижных конструкций и съемных модулей. Запирание роторного механизма происходит в результате движения язычка вокруг своей оси и замыканию ответной скобы внутрь тела замка. Этот принцип обеспечивает надёжность фиксации при любых переворотах и деформациях запираемой конструкции в целом.

роторный замок

Как нас найти

Остались вопросы?

Посмотрите в нашей справке по сайту
Загляните в полный каталог