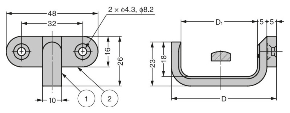
Крючок модель KB-H-55L-SM, длина 55 мм (держит до 21.4 кг. матовая нержавеющая сталь SUS303)
- KB-HL



- • Доступны различные варианты длины для разных целей.
• Тонкая секция для настенного монтажа позволяет устанавливать изделие на рамы. - Аксессуары
- • Саморез с потайной головкой 4×20 (нержавеющая сталь)
